In the past I’ve posted a blog about two identical germanium fuzz pedals (check my posts on the homepage or here) in the same very small enclosure as this pedal. The Harley Benton Silly fuzz is a very cheap silicon fuzz pedal is promoted as a vintage correct silicon fuzz pedal that is based upon a known blue fuzz pedal. As I can only think of the blue Fuzz Face (BC108’s) I dive deeper in this pedal.

Not much online is known of this pedal. Some like it, some dislike it. On Thomann it’s quite cheap
Opened up you can easily spot the two Motorola BC108C silicon transistors making it fit the vintage character. Not much parts are on the board.






The circuit
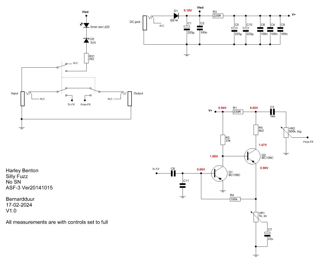
Inside the Silly Fuzz is an almost vintage correct blue Fuzz Face circuit with two BC108’s. I’ve traced the pedal.

As you can spot the power supply filtering is rather large. The input caps didn’t respond to my multimeter and are unknown to me. My best guess is that C6 is 2u2, just like the original.Voltages are a bit off.
The sound
So far so good! We have a small fuzz, based upon a much known silicon fuzz pedal with real BC108’s inside, What could go wrong??
Well, the sound! As this pedal sounds really bad! The pedal sound unbiased with not much grit and a varying decay. Turning the volume knob on the guitar (or bass) down results in even more misbiased sounds.
After the below-named mod the pedal turns into a fire breathing fuzz pedal with great dynamics and decay. It is really sensitive to rolling the input volume down making the fuzz behave like a good overdrive pedal. After the mod the pedal is a great version the blue BC108C Fuzz Face!
The mod
Looking back at the schematic, you’ve might be triggered by the voltages. Mostly around Q2. These voltages are quite low. I’ve added a 25k trimpot parallel to R5 ro raise the voltage at the collector of Q2 to a value between 4.0 and 5.8V. I’ve stuck it at 4.8V as it sounded most amazing on my unit.

Leave a comment