So I saw this pedal for cheap. And as it stated fuzz, I needed to know what it was.So bring in the clones!

Aural Dream is a Chinese brand that sells pedals through websites like Amazon and AliExpress. The brand started in 2015. Through effectsdatabase I learned that they were also sold under the name Ruach. An official website is down, all I could find was their Facebook page.
On the pedal itself only sales pitches can be found. It can be found everywhere on the net with terms like ‘less buzzy fuzz’ and ‘great lead fuzz’. Somewhere I read that the pedals of this brand became great ‘through years of development and self-improvement’. Lets dive in!
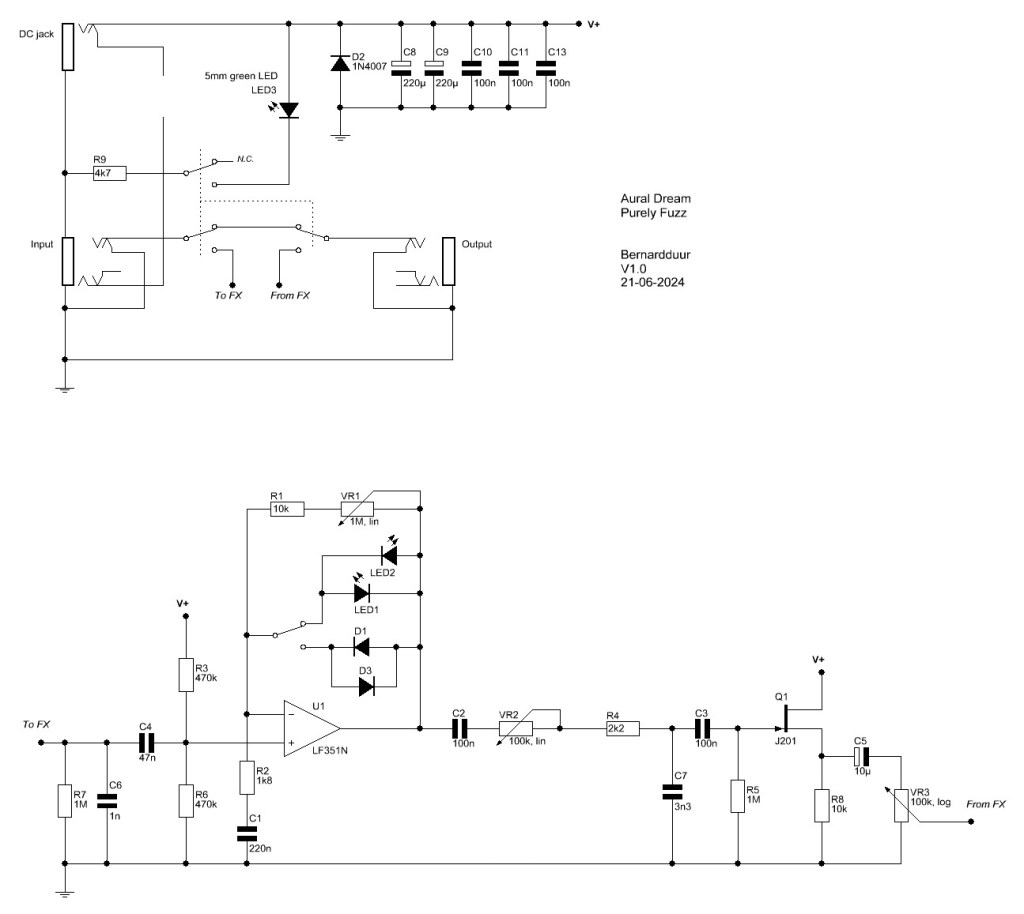
The circuit
Opening up the pedal gives you an nice PCB loaded with through-hole parts and a through-hole opamp. The clipping diodes are clearly visible on the board. All is mounted on the PCB.




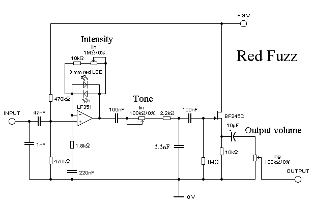
On the net there is a lot of talk on this pedal. Some claim it to be a clone of the Mad Professor Fire Red Fuzz, so I decided to trace the pedal.

And look, I recognised the pedal. This pedal is a clone of the Robin Tomtlund Red Fuzz, a fuzz I build in my early days of pedal building. You can debate if it is a fuzz or just an overdrive / distortion pedal. It is a popular DIY design and is very well documented at General Guitar Gadgets.
I can trace the original circuit back to 5 dec 1998; from this time the website from Robin Tomtlund (the official designer of this circuit) was online. There he shared the schematic and some extra text on this pedal. I’ve made a screenshot. You can find the page through this waybackmachine link.


The sound
I can agree upon not finding this really a Fuzz pedal. The compression, the gain structure and the schematic make it more an distortion pedal then a typical fuzz. It doesn’t responds that well to volume changes of the instrument or works well with a slight overdriven amp. It will make a good distortion / overdrive sound though over a clean amp with a lot of detail in the sound and a great choice of voices.
Not the fireworks I was expecting, yet something nice!
The links:
- The original page from Robin Tomtlund / through the waybackmachine
- The Red Fuzz page at GGG (General Guitar Gadgets)

Leave a comment