Sometimes I got asked to do something special. This Maestro USS-1 (Universal Synthesizer System) is one special case.

The USS was introduced by Maestro in the 70’s. Maestro was at that time a known pedal builder. One Thomas Elroy Oberheim (or just Tom Oberheim) designed a Ring Modulator that hit the market quite good. Maestro hired him and build Ring Mods under their own name from his design (the Maestro RM-1A). This ring mod is still a well known pedal that can be seen on a lot of (vintage) pedalboards. With him on board Maestro released the PS-1 Phase Shifter in 1971, one of the first phase-shifters pedal in the world.
The final product Tom Oberheim designed for Maestro was the USS-1. This huge pedal is a collection of the designs Tom made for Maestro in a single pedal enclosure. This huge unit was the main controller with slider potmeters for the parameters, huge switches (as known from the PS-1 Phase Shifter pedal) to engage the effects and the ability to add two expression pedals and a footswitch board with lighting up lights and foot switches for all the effects. All effects share a common audio path and will interact with each other, making this effect just fun!
The unit wasn’t made especially for guitar and does work wonders with other instruments like keys and drums.
The pedals
The main controller has a single (big) PCB. The slider potmeters (and a single rocker switch) are all soldered to the board. All other connections are made with connectors.
The unit runs on mains and has a dedicated power supply for all effects. Switching between effects is done by FET’s.
The pedal can be divided into five different effects:

Waveform (Overdrive / Fuzz)
This effect is an Overdrive / Fuzz like effect with only an intensity control. The Waveform effect is pretty straightforward: by turning the ‘Intensity‘ control up you get more saturation. The volume of the audio doesn’t change anything at all.

Filter and Sample / Hold (EQ / Wah / Autowah / Envelope filter / Sample & Hold)
The Filter effect is a, well, an EQ effect. The EQ of the filter is adjustable with the ‘Frequency‘ slider and the amount of effect this filter has can be adjusted by the ‘Brilliance‘ slider. Inside the unit is a trimpot that determines the Cut-Off of the filter and determines approximately where the slider is set to get the effect. You can engage the filter with the ‘Filter’ switch. You can controle the ‘Frequency‘ response by adding an expression pedal to the back of the unit.
When the ‘Sensitivity‘ slider is set low, the filter effect acts like non-moving filter that adds an EQ the audio. When this slider is set higher, an envelope effect / autowah effect can be made with this effect. Note: the ‘Attack‘ and ‘Decay‘ sliders also affect the filter response.
When engaging the ‘Sample / Hold‘ switch, the Sample & Hold effect will use the wide frequency effect of the Filter effect but will change through the EQ in steps. The ‘Frequency‘ and ‘Brilliance‘ slider are still active in this effect. The speed of these steps are determined by the ‘Speed‘ slider that is located at the phaser effect. In sample and hold mode you can engage the filter effect to narrow down the filter spectrum. In both modes the ‘Intensity‘ slider works and can turn the effect into a picking attack controlled Sample and Loop effect.

Phase (Phaser / Phase-Shifter)
This Phase effect is a quite known phase effect that can also be found in the Oberheim / Maestro PS-1 Phase-Shifter. In this unit the Phase effect has only one parameter, ‘Speed’, that alters the speed of the effect. Inside are, just like in the PS-1, two trimpots to determin the FET BIAS voltage but also the amplitude of the oscillation / LFO. By setting these up correctly you have a good sounding Phase-Shifter onboard.
(The ‘Speed‘ slider also works on the Sample and Hold effect)

Envelope (Envelope volume control)
The Envelope effect is the most common effect in this pedal, as it will affect also other parts of this unit.
When the envelope effect is engaged, and the sensitivity fader is set right, a volume envelope effect is active. With this effect you can make fade in effects where the envelope follows the attack and decay settings of the sliders.
These parameters also have effect when the ‘Envelope’ effect is not engaged. On the above named ‘Filter’ effect, both the ‘Filter’ as the ‘Sample / Hold’ effect will be affected by the setting of these parameters when the sensitivity slider is set correct.

Sub-harmonic (Octaver)
The Sub-harmonic effect is an octave effect in which the signal is dropped one octave down. The slider of this effect sets the volume of the octave effect. The octave effect is always parallel to the other, above named effects and is thus not affected by the other effects.
A switch let you choose between two versions:
- In the ‘Sustain’ setting the Octave effect is always on
- In the ‘Percussion’ setting, the Octave effect is responding to your playing dynamics. The effect responds then to the setting of the ‘Sensitivity’ slider. I.e. when playing soft no Octave effect and when you strum harder the Octave effect will turn on.
The effect is build around a MFC4040 IC that became obsolete.

Sensitivity
Not really an effect but this slider determines a lot that happens in the other effects. Not only the ‘Envelop’ and ‘Sub-harmonic’ as described, but also the ‘Filter’ and ‘Sample / Hold’ effect will be affected by the setting of this slider.
Underneath the slider you can see the power on / off switch.
The expression board / pedals connection:

As you can spot, on the back are two inputs for an expression pedal are visible. The inputs don’t function well with the standard expression pedals. Maestro had made specialised expression pedals for this unit with a high resistance value.
- The ‘Speed’ jack will control the speed of the ‘Phaser’ effect and the ‘Sample / Hold’ effect.
- The ‘Frequency’ jack will control the frequency of the ‘Filter’ effect.
(The unit does work with other expression pedals but the effect will not be as good)

On the side of the unit this connector can be found. This connector lets you connect the unit to a floorboard with footswitches and lights so you can controle the effects with your feet. This is the only place you can see (with lights) what effect you choose; there are nog visual aids on the unit itself.
The circuit
When opened up a BIG PCB is visible on which all sliders and switches are connected to. The main effect switches are located on a different, extra board. All parts are connected by plugs to each other. In this unit some of these plugs were removed in the past maybe due to some product failure. Also the voltage regulator transistor was replaced by a more modern voltage regulation.















As you can spot there are a number of trimpots on the back. Multiple versions of this unit were made, all with a different number of trimpots. On this unit five trimpots can be found:
- FET BIAS sets the bias voltage on the FET’s of the ‘Phaser’ effect;
- Osc. Amp sets the strength of the oscillation signal on the FET’s of the ‘Phaser’ effect;
- S/H trimpot sets the bias point of the S/H effect making the effect softer and harder
- Cutoff trimpot sets the cutoff frequency of the filter effect determining the range of the slider
- VCA thumb trimpot sets the effect of the ‘Envelope’ effects’ VCA IC.
—- I’ll add a pic of the trimpots’ location —-
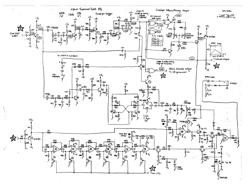
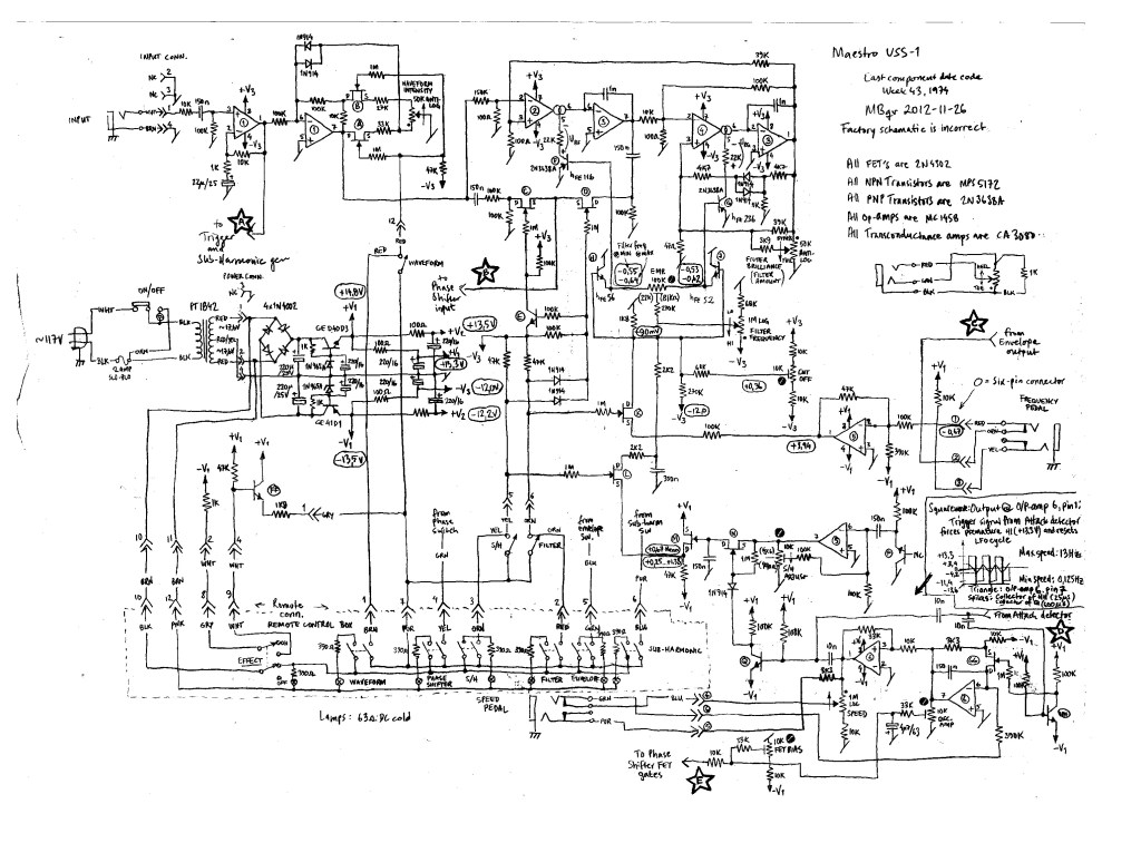
Schematics
Two schematics are available. One for the ‘older’ version and one for the ‘newer’. You can find both in this Freestompboxes.org post
Older:



And the newer version:

Fixing it
This unit came to my door as it wasn’t working correctly. There had been some work been done to this unit: A couple of transistors were replaced and the PSU had the voltage regulator transistor removed and replaced with two modern voltage regulators.
- I replaced all ELCO’s as most of them were dead or leaky. With this replacement the ‘Sensitivity’ slider began working again and the Sub-harmonic started to work.
- I readjusted the trimpots. As most voltages were now stable the old trimpot settings were not correct. With good trimpot setting I had a functioning Phaser, Filter and Sample and Hold.
- The envelope section though remained a big problem. It looked like the Filter responded to the ‘Attack’ and ‘Decay’ settings of the slider but the effect was the wrong way around. I traced part of the problem to the replaced transistors (value and type not fitting). I also found 3 transistors that were dead.
- Two NPN transistors were of normal value and were replaced with a modern variant.
- One PNP transistor (2N3638A) with a very low Hfe (from the datasheet). I tried replacing this one with a modern, higher Hfe version without succes. When I replaced it with the exact same (but working) transistor, the ‘Envelope’ section worked like it should.
Most parts in this unit are pretty common. The only parts I can see that need to be the exact same as described are the MFC4040 and the above named PNP transistors (2N3638A).
The sound
I once played with a similar unit like this. These Universal Synth Systems (USS) are not only made for guitar but also sound incredible when fed with a keyboard or a bass. I tried this unit on both bass and guitar. The way the controls interact with each other makes it hard, but also a lot of fun, to play with. Sometimes you forget you engaged something and as this unit doesn’t have a visual signals to make sure the effect is on, it can be a search sometimes. Yet, after you grasp the effects, it is COOL!
The fuzz (‘Waveform’ effect) is a rather mild fuzz that adds something extra to the sound. It makes the guitar or bass stand out and by turning it not fully up a portion of the original character of the sound stays present.
The Sub-harmonic effect is really good. The tracking is spot-on and sounds rich, full and good. The ‘Sustain’ setting makes it behave like any other Octaver effect. In this setting the unit shines and really add that bottom layer on a guitar but SHINES with a bass. The percussion effect is where the fun begins. It makes the Octaver sound like a living, breathing organism that really growls as you dig into those strings and tames down when you don’t do that. I can’t really see why no-one ever added this option to a standard Octave effect pedal.
The Phaser effect sounds really close to an original Maestro Phaser (which it is, in fact) and takes over the sound like it should. With the trimpots the effect is easily to setup and can be adjusted from a very subtle phaser to a really over the top / feedback-y phaser. One of these trimpots could be made into an individual parameter to adjust the character of the Phaser.
The fun starts with the Filter effect and the Sample and Hold. The filter can behave like a parametric EQ, like an Autowah, like an Envelope filter or all three at the same time. The individual Attack and Decay controls adds a lot of control to this Filter section making it even more fun. And when this is combined with the Sample and Hold effect, the effect gets wild, wicked and funky! A touch of reverb and a short delay makes it even better! Adding a good Footpedal to the unit to control the Filter is AMAZING! I thought this worked even better then the onboard slider, as the jumps in frequency are more tailored to a foot operated pedal (less sensitive) then a manual slider.
The Envelope effect last is harder to understand an control (a volume envelope is not quite common) but when you get the touch (with the right settings) you can make touching fade-in’s or spitting fade outs’ only by playing with your dynamics.
And then the FUN really starts when combining these effects. I wouldn’t recommend turning them all on at the same time (CHAOS!!!) but two or sometimes three at the same time work interactive and really add something to each individual. My own favorite was the Sub-harmonic combined with the Phaser (and a touch of Grit from the Waveform) on guitar or the Sub-harmonic with some fuzz (from the Waveform) on the bass. The Envelope effect combined with the Filter effect gets you into the territory of the EHX MicroSynth (add a footswitch for real control) and just by adding the Sample / Hold makes every synth lover satisfied.
The only problem with this unit: the size! It is enormous!!!
The links
Leave a comment