Some fuzz pedals are quite known. Some other fuzz pedals are not. This Nobels fuzz pedal is quite unknown and on the internet not a lot can be found on this pedal. So let’s change that!

Nobels as a brand started in 1983 when Bernhard Kurzke and electronics technician Kai Tachibana created a range of useful tools for the musician market. They created effects pedals, multi effects pedals, MIDI solutions and practise amps. They developed a lot of products but their most known pedal is the ODR-1 that was released in 1993. A good read-through of the Nobels brand can be found here; for more info on the ODR-1 check this article.
Between 1993 and 2000 a line of effects pedals came to the market with different kind of effects. In this line of effects the ‘Fuzz’ pedal was added. These pedals were designed in Germany and were built in Korea. This line was upgraded with new enclosures and layouts between 1999 and 2010 with the pedal silver series. In this series the fuzz was also included. The Nobels FU-Z fuzz pedal in this article is the pre 2000 version.


The circuit
The pedal is housed in the known Nobels like enclosure. A big footswitch is placed on the bottom of the enclosure similar to a Boss pedal. On the back of the pedal three jacks are located; an input, an output and a remote connector. This remote connector lets you control the pedal from a distance. By connecting a switch-box (with a momentary switch) through a jack-jack cable you can place the fuzz near the amp but turn it on / off by using the remote switch. This remote is common on these Nobels pedals. The pedal is not true bypass and switching is done by FETs. The pedal runs on 9V by adapter input or a 9V battery. The pedal has three controls on the control plate: a control for the amount of fuzz (‘Gain’), a control for the EQ of the pedal (‘Tone’) and a control to determine the amount of volume this pedal brings out (‘Volume’). There are no internal potmeters, trim-pots or adjustable pieces.
When the pedal is opened up you can spot that the pedal works with two PCB’s that are filled with through hole components. The potmeters are only connected to the PCB, not to the enclosure and are a weak spot on the(se) pedal(s) (but also on other Nobels pedals). This specific pedal uses potmeters that have preset places instead of a smooth flowing potmeters that needs a little bit to get used to. A small ribbon cable connects the two PCB’s with each other.





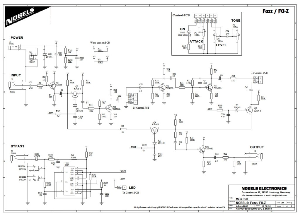
A schematic can be found here and a layout here.

As you can spot this fuzz is a pure transistor based fuzz in which three transistors are placed in line amplifying each others signals. The gain knob determines the amount of volume going to the second transistor and therefore controls the gain of the circuit; this also determines why the pedals reacts well to the dynamics of your playing. The tone knob is a simple high end roll off filter made with a single potmeter and capacitor and resembles the tone control of a Rat pedal.
The sound
I love fuzz pedals and this is no exception. The pedal, when connected, is quiet and gives no noises or hum. Switching is silent without clicks or hisses. The manual can be used to get some sample sounds or ideas how to use this pedal.
The sound can easily be determined as a fuzz sound: direct, loud and greatly dynamic. The sound reminds me a bit of the EHX Big Muff but then with a better mid frequency response and a bit more organic drive sound, less compressed and more into the realm of fuzz. The ‘Gain’ control gives you a wide array of gain sounds from barely broken / fuzzy overdrive sounds to full slam wall of fuzz. When using higher gain settings the pedal becomes more velcro-y and give a more gated output sound reminding me of overloading transistors. With modest gain settings this is barely noticeable. With single notes though this effect is more apparent on all gain settings reminding me of the bloom of the fuzz on satisfaction. And this is where this fuzz really shines: on single notes the effect is true fuzz like sustain with splatter and a velcro-y aspect that gets lost when a chord (or more single notes) are struck. This is even more amplified by the dynamics of the pedal giving it a vintage feeling.
The tone control adds lows when turned down yet the pedal never gets super bassy in its tone. This pedal works excellent when combined with a bass guitar adding a modest to over-the-top fuzz sounds; the best results though can be gotten with a guitar.
A great obscure fuzz pedal that can sound like a true fuzz pedal but is so much more. One of my favourites.
Links

Leave a comment