EH1048 IC
The EH1048 IC is a IC (integrated circuit) that can be found in multiple EHX pedals. One of these pedals is the EHX Small Stone in which multiple EH1048 can be found.

EH1048 is not a common notation of an IC but is likely to be a rebranded IC with a custom code specific for EHX products. The question now is which IC was used…

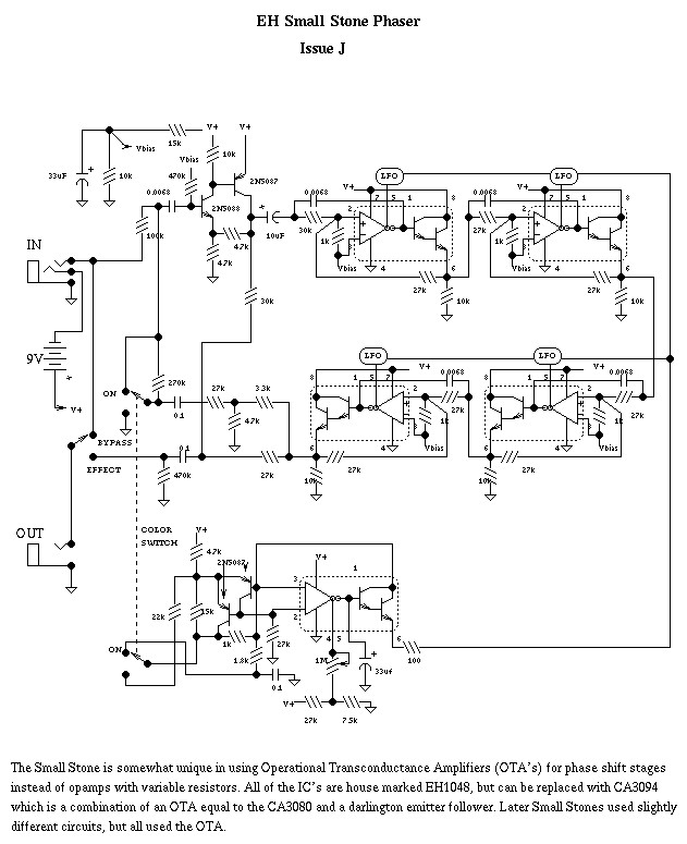
Looking at the IC gives no clues. It looks like any standard eight legged IC. Luckily EHX added some insight to the IC in the ‘Issue J’ schematic of the Small Stone. I’ll post that schematic here for reference value (origins here).

In this schematic you can clearly spot that the IC is exposed: an OTA followed by a double transistor in a Darlington emitter follower setup. I can’t clearly state that this is an official EHX schematic or who made this schematic. It does make it clear what the IC does. It also states on the bottom of the schematic solutions on how to replace these EH1048 IC’s: with a CA3094.
Case 1 notation:
I encountered a broken Small Stone that needed a repair badly. It was a version 2 Small Stone and the owner was quite attached to it. When powered up you could clearly hear the phase stages working but there was an absence of an LFO. The ‘Color’ switch altered the way the pedal sounded.
I’ve investigated the most common problems in this unit (switch / potmeter / transistors / electrolyte caps) but most of them were fine or I replaced them. Still no LFO. I’ve replaced the EH1048 IC with another one I have in my possession (for testing only / I always add an IC socket) and the LFO came back / the pedal worked like it should. When I replaced the EH1048 with a CA3094 (and also later with a CA3080) no LFO was heard. I finally replaced the IC with a CA3080 and two 2N5088 wired up in a Darlington emitter follower setup on a separate daughter board.
Case 2 notation:
I encountered a broken Small Stone that needed repair badly. It was a version 2 Small Stone and the owner was quite attached to it. When powered up no phase effect was audible, just the same sound as bypass. In high settings of the speed knob the pedal would work as a tremolo pedal. I tried checking all VCA stages but as most have connections with the other VCA’s getting to the solution was quite a problem. I ended up de-soldering all VCA stages and tried testing them by replacing them with common CA3094’s or common CA3080 VCA’s but this didn’t produce any phase effect. In the end only one VCA stage was problematic (last one) and replacing that with a CA3094 or CA3080 didn’t have any effect on the phaser. I ended up replacing that stage with a CA3080 combined with two 2N5088 wired up in a Darlington emitter follower.
So, I encountered recently that a CA3094 works wonders for the OTA’s in the phase stages but for some positions (last VCA stage) it doesn’t work. For the LFO stage, a CA3094 does not work.
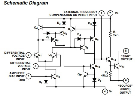
Looking at the CA3094 IC we can spot in the datasheet where it differs from the setup of the EH1048; the datasheet can be found here. I’ll add a specific part of this datasheet to make my point:

This schematic diagram states what happens inside a CA3094. You can spot that pin 7 is used for the positive voltage (9V) and that pin 7 is tied to the collector of Q12 through R1 (2k2). After that the collector and emitter of Q13 are different pinouts to the IC.
When we check this arrangement with the drawn schematic of the Small Stone effect’s LFO section, we can spot that both the collectors of the transistors are tied together and are fed to a part of the circuit. And this is where the CA3094 fails to be a EH1048 and isn’t suitable for the LFO part.
So what is it then?
- Not a CA3094
- Not a CA3080
- Not a LM13600 or LM13700 (in the datasheet of these IC’s the collectors are tied to V+)
Solutions to replacing the EH1048:
- In the phase stages you can replace an EH1048 with a CA3094 (except for the last VCA stage in the effect); in the schematic you can spot that the Darlington ‘s collectors are tied to V+
- In the LFO stage you can use a CA3080 with two 2N5088 transistors wired up in a Darlington setup (or even use a Darlington transistor like the MPSA13)
- Replace a single EH1048 from the phase stage and put that in the LFO position. Replace the removed EH1048 in the phase stage with a CA3094 (note: you can possibly break the EH1048 by de-soldering it though).