Did I mention I LOVE fuzz pedals?
This unit came upon my path a while ago. It is an Acetone fuzz pedal with octave effect. What is not to love?


Acetone (or Ace Electronic Industries Inc. in full) was a Japanese brand that starten in the 60’s by Ikutaro Kakehashi that went from repairing radio’s to building organs and amplifiers. The company became famous by designing the first ever drum computer, the R1 Rhythm Ace. At the end of the 60’s they began to produce also effect pedals.
In the 70’s Kakehashi starten Roland Corporation (and with that also Boss); Acetone stopped producing around that time.
Acetone started with producing fuzz pedals with the Acetone FuzzMaster FM-1 from 1966 up to 1969. This FM-1 was in design similar to the Maestro Fuzz Tone with Germanium transistors and 2x AA batteries (3V). The Acetone FuzzMaster FM-2 came into production in 1969 and was build until 1971. This pedal was built with silicon transistors and had a very distinct octave (up) effect. The Acetone FuzzMaster FM-3 was made in the early 70’s and this fuzz pedal and bears similarities to the Big Muff pedal from EHX. Production of the FuzzMaster pedals seized around 1972.



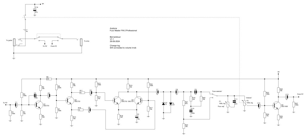
The circuit
The circuit is housed inside a wedge shaped enclosure with two knobs and two switches. the ‘Fuzz Adj.’ knob is a tone knob and the ‘Volume’ knob speaks for itself. Inside of the ‘Volume’ knob there is a switch to turn the battery on and off. Grounding of the battery is done through the input jack.
There is no gain knob so gain is set to max. One footswitch switches between a mid heavy setting and a low-mid version. The other one turns the effect on and off.
Opening up the unit you can spot the PCB located snug inside a metal ‘cage’ securing the print. On the print there are five 2SC733 transistors and a single 2SC1000 transistor. Diodes are silicon. The unit can only be powered by a single 9V battery.








I can find some information online on this fuzz pedal. One of these pages is Uzzfay’s page on the Acetone FM-2. This page has a schematic of the pedal available.
If I check the schematic with my unit it is different on a couple of places. Therefor I traced my own unit.

As you can spot the power filtering is different (cap value) and the tone knob is different. The fuzz also uses a different kind of transistors and the R/C network in the emitter of the last transistor is different. On the PCB there are a couple of unused holes for this purpose, so I think the FM-2 got a circuit change on the same PCB.
The sound
This pedal sounds great! I LOVE fuzz pedals and this is no exception.
The sound of the pedal is quite remimiscent of the old ’70 fuzz pedals: loud, saturated and a beautifull octave up function that just really stands out. I reminds me a lot of my old Univox Superfuzz (quite same design) but I do prefer this pedal over the Univox as this pedal has a (good) functioning tone knob. With this knob (that works backwards btw) you can really dial in the amount of high end in the signal without tampering with the mid response. This mid response is taken care of by the Tone Switch. Playing with the neck pickup higher up the neck gives you those gnarly biting fuzz sounds that just sound so good!!
All good? No! I really do miss the gain knob. This pedal is always in full-blast mode. And although that full-blast mode is pretty nice, a little less saturation makes the fuzz sound stand out more in the mix.
A decent vintage fuzz pedal with a good octave function. I love it!
The links
Leave a comment