I love weird and vintage pedals. And the fOXX company is one of my favourites. Just look at them: pedals covered in fur in different colors. And a sound to worship! What not to love!

fOXX started in the 70’s with producing it’s most common known pedal: the Tone Machine. It was designed in 1971 by fOXX founder Steve Ridinger (who was 19 at the time) and made into different colored boxes covered in fur. Also versions were made with an American flag upon them. And in their expression pedals (also covered in the known fur) a Tone Machine was apparant.
Ridinger eventually became head of Evets Corporation in 90’s that purchased the rights to the Danelectro brand. This is also why a couple of the Danelectro pedals (for example the French Toast and the more recent 3699 fuzz) are in fact Tone Machine clones.
In 1972 Mike Biegel started Musitronics (also known as Mu-Tron) and the Mu-Tron III, an envelope filter, was it’s most known pedal.
These two worlds meet in this pedal: the fOXX Guitar Synthesizer I (studio model 9). This specific pedal was made in 1974 (date codes on the IC’s). I don’t know if another version was ever made (as this was called the I).


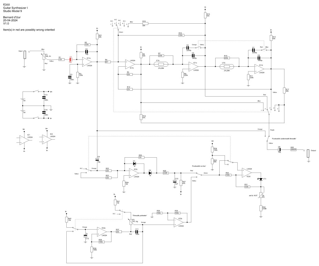
The circuit
The pedal is housed in an expression pedal with the known fur on the outside. Inside is a Mu-Tron III with some added parts, added modes and an added expression pedal.
- It can work like a standard Mu-Tron III; an envelope filter that responds to your playing style
- It has two added modes that mixes the output of the LP and HP together with different feedback values
- It can be switches to two different ‘Expression modes’ with the footswitch on front in which the filter effect respods to the threadle. There is no envelope follower working in these modes.
- In expression mode A the filter responds to the threadle like a wah wah pedal
- In expression mode B the filter responds to a LFO and the speed of the LFO can be changed by the threadle.
The inside looks pretty crowded due to all the switches, potmeters and more.




On the internet, and specific on this DIYstompboxes.com post, a schematic was shared but the links to the schematic were all down. I decided to trace the pedal:

This pedal came in from the Tonehome Collection. It didn’t work and needed some TLC. What I’ve done:
- Replaced all ELCO’s as they were old
- Reoriented one specific ELCO as it had a lot of gime underneath and was oriented wrong according to the Mu-Tron schematics (C1 in the above named schematic). A lot of the feedback issues I had with the pedal were cured this way
- I repaired the original vactrol by replacing the original lightsource (link at the bottom)
- I rebiased the vactrol with the trimpot
- I readjusted the threadle so it had the most effect
The sound
The sound of this pedal is really close to a Mu-Tron. Is it a Mu-Tron? No!
The HP en BP modes are really weak compared to the original Mu-Tron and the input potmeter (sensitivity) works differently compared to the Mu-Tron III’s gain knob. It is easily set too high in which the filter is maxed out on unity volume. Only partially this can be adjusted with the internal trimpot.
The LP mode though sounds incredible and really close to the quacky-ness of the original Mu-Tron III. I really love this mode and then really in this pedal!
The new mix modes makes the pedal sound more like a Wah Wah pedal and these two modes sound equal and at the same time different. They add a nice addition to the normal HP, LP en BP modes.
The ‘Expression mode’ is where all the fun begins. It really gives you max control on the filter. The LFO mode sounds nice but the speed control is limited to fairly low speeds so the effect is only partially usuable. The threadle controlling the filter directly though is amazing and sound really good! It should be a great addition to all Mu-Tron III pedals!!
Controls
As all these controls can be overwhelming, I added these pics so you can easily understand the pedal.



Links
Leave a comment