And then this pedal came to my door!
The Gerd Schulte phaser was always a known pedal for me but I hadn’t worked on any. A schematic can be found when searching online. This pedal came as it didn’t worked anymore.

There is a lot of mystery about Gerd Schulte and his compact phaser. I don’t even know if there was a guy called Gerd Schulte or that the company was just named Gerd Schulte Audio Elektronik. The company was located in the Bundesrepublik Deutschland (West Germany) and in the ’70 the company made only one pedal: this Compact Phasing A. This pedal was made in the color black, white (both common colors) and orange (a more rare color). It was used heavily in the German bands like Tangerine Dream and Kraftwerk, but also Richie Blackmore and Jon Lord used this pedal.
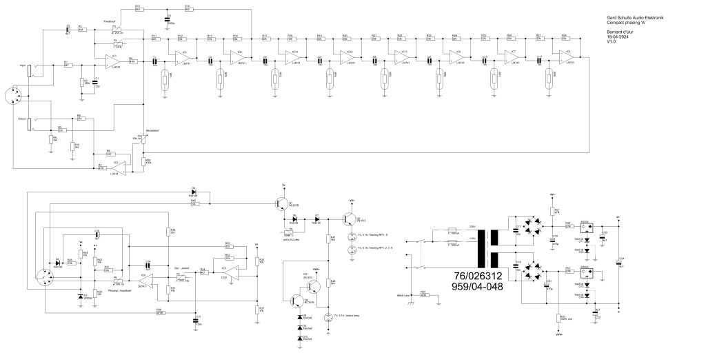
The circuit
The pedal is located in a rather big enclore with 4 knobs and no switches. On the back it has an in and output and two DIN jacks to control the pedal. With no plugs into these DIN jacks, the pedal doesn’t give a phase effect.
To turn the effect on or off a remote is necessary, as no switches are available on the unit. This pedal then should be placed on an amp and with the remote you could controle (part of) the pedal. In early Rainbow concerts you can spot Richie Blackmore use this pedal as you can see a blinking light next to his amps: that is this pedal!
This remote was sold in two versions:
- a simple remote with only one switch for simple On / Off
- A more complex remote with two controls (manual offset and speed) and two switches (On / Off and full / half speed)
I’ll discuss the remote a little below.


Notice these knobs: different colors, numbers that are highlighted when selected and those big sturdy knobs! The lamp on the left side tells you if the effect is in bypass mode (off) or engaged (blinking). When no DIN plug is inserted the lamp is lit constant.
The unit has four controls. From left to right:
- The ‘Modulation’ control controls the mix of the original signal and the phased signal
- The ‘Feedback’ control controls the amound of fed-back signal from the second phase stage
- The ‘Osc. period’ control controls the speed of the LFO
- The ‘Phasing/Amplitude’ control controls the depth of the effect
When opened up you can spot a lot of IC’s and two lamp / LDR ‘towers’. This is the heart of the pedal. The opamps that this pedal uses are mainly 741 IC’s. These opamp are pretty vintage and ‘imperfect’ but do add something extra to the sound. This extra makes the effect have the sound it has. This forum thread gives you more insight in these opamps in this pedal. This forum thread gives you more insight in these opamps in this pedal. This setup gives you a 4 stage phaser pedal where the sweep of the phaser is controlled by a lamp / LDR combo. An onboard transformer gives the pedal the power it needs. All opamps are fed with +16V and-16V.












There was a schematic available but the schematic wasn’t complete. I’ve drawn another schematic myself with the missing values,

This pedal came in as it didn’t function anymore. The problem turned out to be the first opamp that was shot. I’ve replaced the opamp and with the the pedal came back to life!
The sound
I really enjoy phasers and this Gerd Schulte is one great phaser. It does sound different when compared to other, more compact and common phasers (like the MXR Phase 90) but that difference is where this pedal shines. It is in both sounds as controls a much more different phaser pedal.
One thing that stands out from the beginning is the tone. As most phaser pedals take over the sound with a very specific coloring, the Schulte is really transparant. Yes, the phase effect can be really overpowering, but the standard tone of the unit is close to what you put into it.
The other thing that stands out is the versitality of the pedal. It can sound like a regular phaser but can also sound like a totally different kind of phaser. The controls are somewhat interactive and can change the sound drasticly. It can be a really in-your-face phaser but also just slightly under the level and give somewhat extra to the sounds.
I really enjoy this pedal! It is like an phaser-to-end-phasers. I thought it was suppose to be more hissy or noisy, but in the end the pedal is quiet and noise free. The only downside for me whas the size and weight….. but those things just vanished when the unit was turnd on!
Video’s
The remotes
In this forum post the remote is explained. As mentioned above two versions of the remote were available. Without a remote the unit doesn’t function at all as a phaser but will only pass clean / bypass volume.
Note: you will need a 6 pole DIN plug with a ground connection extra on the plug!!
Most simple version: By using a single 6 pole DIN plug with pin 1 and 2 tied together will make the pedal usefull.

Simple version – On/Off: Tie pin 1 and 2 together and add a switch between pin 5 and GND (the GND connection of the plug, not a pole)

Complex version: and some more controls. Pin 1 and pin 2 are still tied together

Links
Leave a comment