This is a beauty!
The MXR M-118 Analog Delay was, in 1975, one of the first delay pedals in pedal format. Housed in a big green enclosure it was a clear winner.
Three versions were made:
– The first version had a single output jack and housed three Reticon SAD1024 delay IC’s
– The second version had a dual output jack (wet / dry) and had a single Reticon R5101 delay IC
– The third version was identical to the second version but had a LED to show if the effect was engaged.
This box was a favourite of Neil Young, Keith Richards, Jerry Garcia and Claudio Sanchez. The sound is a bit muffled but nice, warm and the decay is beautiful.

The version you see here is a first version type. It came in as it needed some TLC; the sound from the delay was muffled and the repeats weren’t available.
The circuit
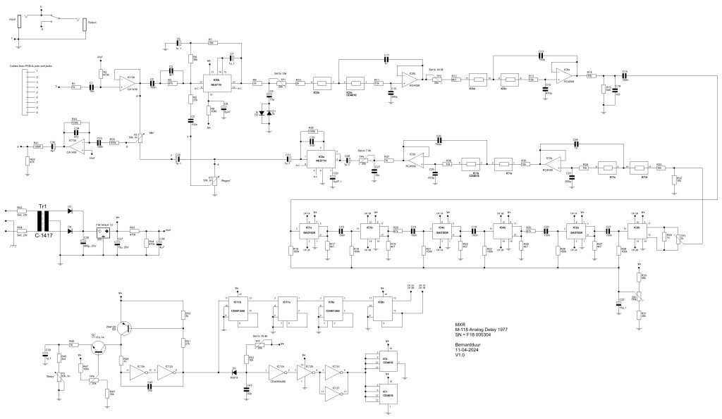
As you can spot on the pics this unit has three (!!) Reticon SAD1024 IC’s onboard. All delay lines are set in series so you have a total of six 512-stage delay sections available giving it a (short) delay time of approx 300ms.








A beauty in this unit is the filter; a filter is used in analog delays to filter out the high frequency clock noise that is apparant in the delayed audio because of the use of a BBD chip. This filter is usually a very simple treble roll-off filter made with resistors, capacitors and transistors. The designer of this pedal (and founder of MXR) Keith Barr, really made something different here, in which the frequency of the clock also changes the roll-off point of the filter.
- With a shorter delay time (higher clock frequency) the filter is toned down giving more bandwidth in the audio / filtering out less frequencies.
- With a longer delay time (lower clock frequency) the filter becomes more apparant and filters out more frequencies.
This design gave this pedal it’s known dark and warm sound.
The pedal works with an AC cord and the pedal works on 12V. It can be modded so the pedal can work on DC by a adapter. It has a relative low input impedance so the unit works best when it is placed after a buffered pedal.
A schematic can be found in this post on Freestompboxes.org
As most of it was not well readable, I traced this pedal.

Also, to make adjusting easy, I noted the trimpots

The sound
The sound of this pedal is different compared to other analog delays. It sounds much more organic and warm while it still retains the character and aspects of the original audio.
Although the delay time is pretty low I found it quite usefull for a nice slapback delay or semi-long echo’s. It also warmed up the sound of the whole rig when in use. And it teamed quite perfect with other pedals. Downsides are that the pedal is relative big and needed an AC source. Ground loops are easily made this way. And the tone of the pedal in the longer delay settings can be quite mushy!
I can understand why this pedal was a keeper for those old favorite players. Better pedals are available for the same purpose, yet this old green monster does touch something others can’t!
Links
A topic on Freestompboxes on the MXR – M-118 Analog delay / R510 version
A topic on Freestompboxes on the MXR – M-118 Analog delay / SAD1024 version
Leave a comment