This pedal came in for some TLC and to check upon the switches and extra controls that were added. So I’ll make this piece about the standard version of this pedal but I will also add the mod that was performed in this unit.


On their website they make a very bold claim: ‘This is the only true sonic replica of the most sought after chorus of all time – the 1976 Boss CE-1’. So I was siked! But also disappointed!
The pedal is now discontinued because of the parts becoming sparce. They claim that the Panasonic BBD is not available anymore. The manual state a couple of ways you can use this pedal.
The circuit
You can spot the mods on this pedal. Normally this pedal only has a footswitch and two potmeters. This version of the pedal has two extra switches and two extra potmeters for some extra sounds. I’ll discuss these mods below.




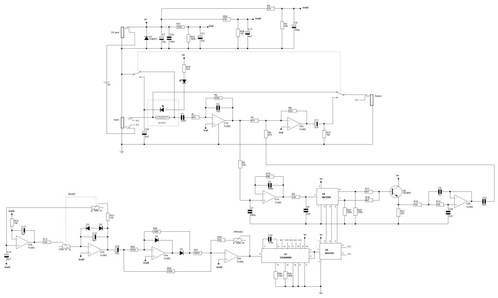
The effect is made by combining the delayed output of a BBD chip (MN3209) with a straight output. This gives the effect the chorus sensation. The delay time is them made variable by adding an LFO to the equation. The LFO uses a dual potmeter to get the effect.
No schematic was available online so I made my own:

The MN3209 is a weird one in chorus’. Usually we see a MN3207 in a typical chorus (BBD with 1024 stages in the BBD). The MN3209 has 256 stages in the BBD giving it less delay time (0.64 – 12.8ms). Maybe it was used to get closer to the MN3002 that was used in the Boss CE-1 (512 stages).The pedal is advertised as being true bypass. The unit uses a single DPDT switch for this matter; one part of the DPDT switches the effect on and off. The other part switches the LED but also switches an optocoupler On / Off that is part of the switching circuit. With this adaptation it could be considered true bypass (although it isn’t really true bypass).
The sound
The sound of the unit is good. The chorus effect is really apparant and sound nice and lushy. There is a volume boost when the unit is engaged (that is cured by the mod described below). The effect really stand out and doesn’t sound like other chorus pedals. It lacks the 80’s vibe I get with some other units and make more a vintage sounding chorus and Leslie-esque sounds.
Does it sound like a Boss CE-1? No! It lacks the depth a real CE-1 has. As for comparison, I made a vid comparing it to my CE-1.
I was expecting more from this unit. The sound is amazing, yes, and really different then other chorus pedals. But no, it is not even close to the sound of my CE-1. And they kinda promised that…….
The mods
As you could see this pedal was fitted with two mods:



The first mod is the oldest mod that was added to this unit. I don’t know who designed this mod. It consists of a volume knob and a switchable tone knob. It really adds some more control to the sound.
I’ve traced the mod to the schematic below:

The second mod is a vibrato mod. This is done by removing a single resistor from the pedal. I did this by switching R7 (47k) in and out of the audio line. The result: no more chorus but true pitch vibrato.
Leave a comment