Yamaha, the great company that builds motorcycles, pianos, amplifiers and yes, also pedals. This pedal was yet unknown to me…. and when I saw it somewhere for cheap (and yes, reading raving reviews) I was eager to test it out and to buy it.
And I’m really glad I did!

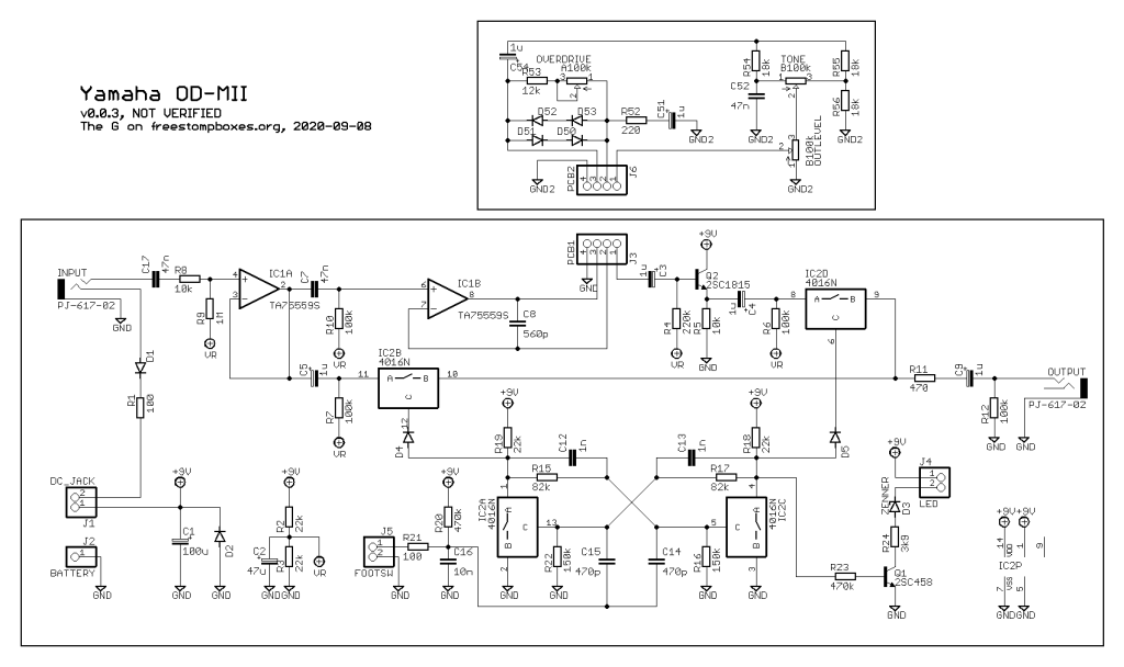
Yamaha also sold the OD-100 and the OD 10M I pedal that are on paper quite identical to the M II pedal. I only have experience with the 10M II pedal and will use this post on this 10M II pedal. When I get info or the other pedals in, I’ll update this post according.
The OD 10M II was build in the 80’s. It isn’t know for it is used by a most famous artist. Yet a lot of people tend to like this pedal. What to expect…..
The circuit
The pedal is housed in a small metal enclosure with three knobs and one footswitch. It can run on a 9V battery or a DC 9V adapter. The pedal has controls for:
- Overdrive; the amount of gain of the overdrive
- Tone; the output tone of the pedal
- Out level; the volume of the overdrive
When the pedal is opened up, you can spot the two individual PCB’s



Luckily, a schematic was already available.

(this schematic comes from this post on Freestompboxes.org)
As you can spot the pedal is like a Tubescreamer pedal followed by a Big Muff-ish style tone section. Clipping is derived from driving the opamps hard and using silicon diodes in the opamp loop.
The sound
The sound is really where this pedal shines. It is like a very transparant overdrive pedal that sounds amazing on both humbucker as single coil guitars. It can give you a clean boost sound up to a very overdriven tone. With the gain knob around 10 o’clock and with a humbucker guitar overdrive was introduced in the sound. The gain is very dynamic to your playing style making it more an amp-like OD perfectly pairing with any amp I use it on!
The tone knob give the final result a modest mid cut making the effect blend in with the original amp and instrument sounds making it sound good on a clean channel. With the overdrive channel, most of the extra effect is made by the sheer volume of it!
I simply love this pedal as a clean, transparant and dynamic overdrive pedal that really works well with all kind of guitars! I really like it!
The links

Leave a comment