I got this great treat in for some TLC. A 1963 Dynacord Jazz.

Dynacord started as Werner Pilternagel started in 1945 a radio repair shop in Pilsting, Germany. One year later he would produce his amps under the name ‘Dynacord Funktechnik und Gerätebau’ and, as the shop would grow bigger, would move to Landau an der Isar where he and four other employees started to produce the first tube amps. These amps though were first targeted for Radio and Cinema’s
In the 50’s Werner would start to produce his first mixers and case amplifiers for musicians under the ‘Dynacord Ing. W. Pinternagel’ brand. In this line the known KV and DA amps were produced that ran up to 20W of output power.
In the 50’s Dynacord would start to produce the Echocord Tape echo units that from 1953 would also be sold outside of Germany.
(for more information on the Dynacord brand follow this link (only in Dutch)
In the sixties Dynacord started producing a different line of more stable musician amplifiers. One of them being the Jazz. This Jazz amp was produced in three versions:
- The oldest version has a black enclosure and is wired point to point. Inside the amp were two individual circuits: one for the preamp and one for the poweramp. The preamp was located in the enclosure and the poweramp lay in the back of the amp bolted to the wood.
- The second version has a red enclosure and uses a PCB. Both the preamp as poweramp were on the same PCB but only the tubesockets of the preamp are located on the PCB.
- A third version was produced under the name Hall Jazz and has a second PCB in the same enclosure that would drive the reverb tank.
The unit I worked on is a second version Jazz. All Jazz schematics are really close but only differ on small specs.


The circuit
The Dynacord Jazz is a dual EL84 kathode bias amp that puts out approx 15W. It uses two ECC83 / 12AX7 preamp tubes and has a single EZ81 rectifier tube. The main voltage can be adjusted by the voltage selector that also works as a fuse holder. A single on/ off switch is located on the outside next to a light to make sure the amp is working. The amp(s) started with three DIN input jacks but later one of the inputs were replaced with a 6.35mm jack input.



The amp has three controls: two volume controls for both ‘preamps’ and one tone control, On the control panel a speaker jack is added to add another speaker to the amp.
The enclosure houses a 10 inch speaker and a weird looking hole in the bottom of the cab. At first I thought it should be a bass-emphasis-port but later I got to the conclusion that this is a storage unit for the power cord.


When the unit came in it really looked like an amp from 1963. All electrolytic caps were dry and dead, the amp’s fuse was removed and the death cap was still in the amp. The mains power cord was cut off but the owner and was not grounded. The original tubes were still in the unit: Philips EL84 and Telefunken 12AX7’s





After I replaced all electrolytic caps,replaced the mains power cord and added a fuse I set the voltage selector to the right voltage and tried starting up the amp. The result was audio amplification but after a couple of seconds the power tubes started to red-plate. This red plating was caused by to a positive voltage on the grid of the powertubes:
All signal caps were leaking!
Caps are designed to block DC and pass AC. So your audio signal is passed through a cap but the high voltage on the tube is blocked on the other end of the cap. As caps get older, or of inferior quality, caps get leaky and pass DC. This causes voltage instability but also adds noise when a potmeter is turned and really screws up the bias setting of a powertube. I quick replaced all signal caps with high quality audio signal caps with great results: the amp worked again!
A last replacement was the input jack; the corrosion and the sort of installed jack gave a lot of noise and other problems. With a new jack most of these complaints went away.

As an extra I added two protection diodes on the tube rectifier. It can save an amp when the rectifier tube gets bad (and trust me, all rectifier tubes go bad!); you can read upon it here from the guru’s mouth, R.G. Keen.
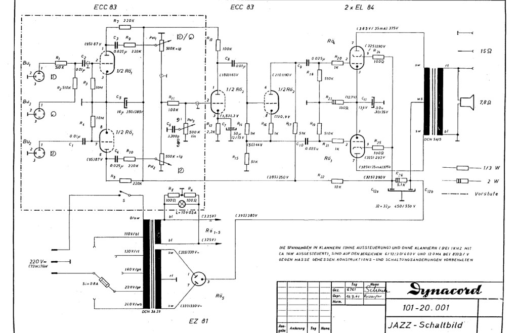
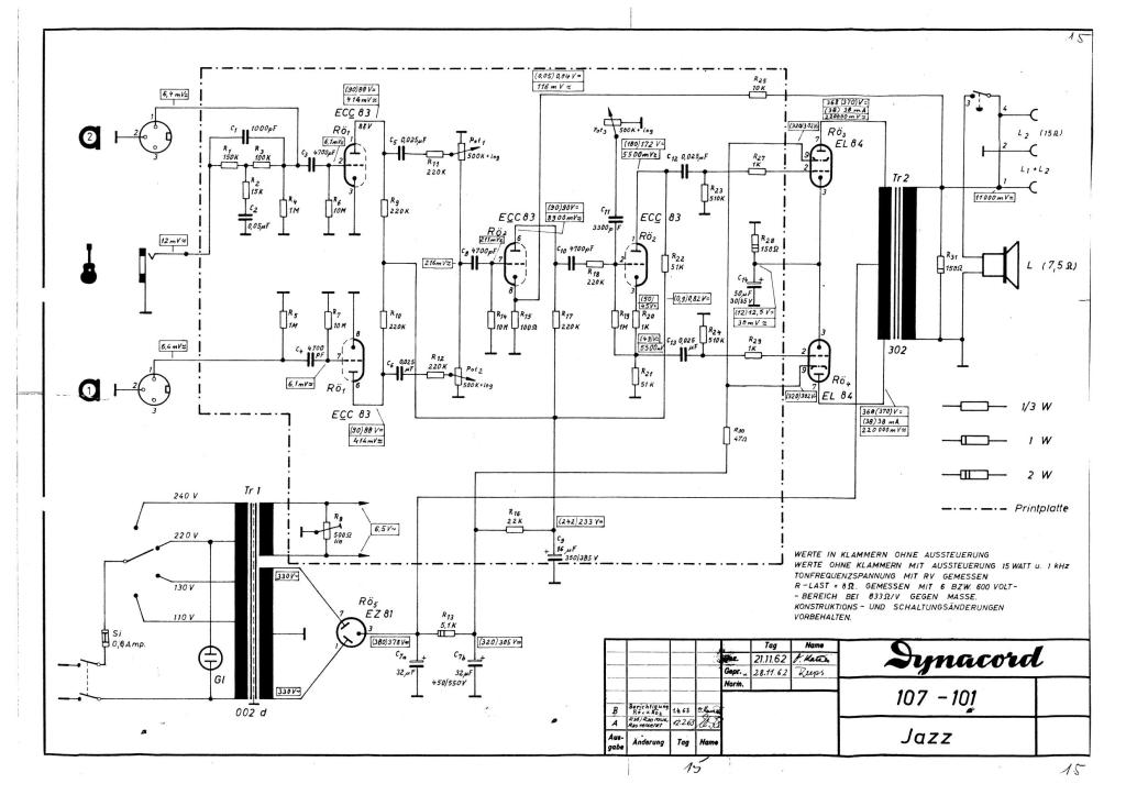
A good schematic of these amps can be found online;


You can spot that both schematics are quite close. A big difference though is that the 1961 edition doesn’t have a feedback loop and the 1962 edition has. This will change the sound drastic. The model I worked on follows the 1962 schematic.
The sound
I really like these small combo amps; low wattage, simple controls and a big sound. And this Dynacord Jazz amp is just that! It has a sweet tone response, is really dynamic and has a great grind when pushed a bit too much. Volume is really abundant and you can’t feel it’s ‘only’ 15W. The tone knobs looks limited, but in action it just gets you exactly where you want to go. It can add the right amount of shimmer, treble boost or low end that a gitarist would need.
When buying one just note that these amps are pretty vintage and will have similar problems as mentioned above. The fix isn’t really a big deal but note that when working with high voltage you should know what you are doing. If not, find someone who does!
When fixed properly theses amps are simply amazing!
Links
Leave a comment