When this pedal was released, I wanted one! In the past I once had a Univox UD-50 Unidrive for some repairs and I was blown away. Blown away by the size but also by the tone! I loved it! And all clones I tried to build weren’t successful and didn’t sound the way the original sounded; they sounded weak, misbiased and nothing like the sonic glory of this pedal.
Then the Danelectro ‘The Breakdown’ came out and rumour was that it was based upon a real Unidrive. On their website no word is spoken about it being a Unidrive but the cryptic way they tried to show this pedals ancestor is all pointing to the Univox. And when this pedal came by on the second hand market place, I grabbed it to play it first and then pull it apart.

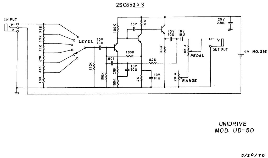
Univox started in 1964 when Unicord, a manufacturer of transformers under the Gulf and Western brand, purchased the Amplifier Corporation of America and began to build and release amplifiers under the name Univox. In the 70’s they started to produce effects in which the Univox Superfuzz is the most famous of them all. The UD-50 Unidrive was a short lived pedal; housed in an enormous wah pedal it had a HUGE sound of boosting and, when set correctly, fuzzed out goodness. The pedal had two controls: a 6 position selector switch called ‘Level’ to select the gain and volume range of the boost and a ‘Range’ knob to determine the volume on the heel setting of the threadle. With the threadle you could control the output volume of the pedal. Using the ‘Range’ knob could transform the pedal from simple volume-pedal duties to a blistering preamp adding gain and volume in front of the amp. Vintageunivox.com has only limited information on this pedal.
The Danelectro ‘The Breakdown’ was released in 2020. I don’t see to many people using it. Time to try it!


The circuit
The pedal is looking great in a pre-aged enclosure with wear and tear. The unit has two great looking (worn) knobs (one 6 position selector switch and a regular volume knob) and a single footswitch. The pedal can be powered only from a 9V adapter. It comes in a great looking box with a beautiful leather carry bag inside.
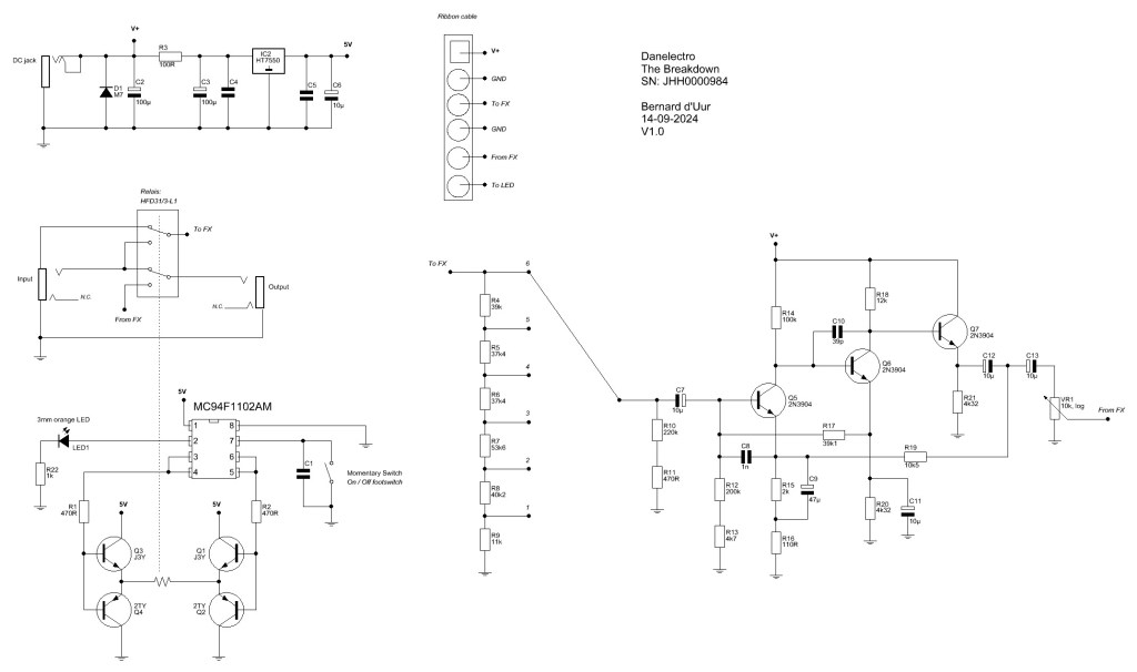
Opening up the unit you can spot it has two and a half PCB’s on top of each other. The lowest board (with the jacks) is the switching board and the highest board is where the effect is housed. A momentary switch is used to switch the effect on and off via a relais (true bypass). The LED is a 3mm orange LED on the effect board that looks so beautiful on the outside due to the space on the enclosure.


I traced the pedal; there is a single mistake in the schematic: R17 should be 91k. I’ll upload the new schematic tonight

As you can spot the unit follows the original Unidrive schematic. I found this on various places online and I post it here for reference only. It comes from this Unidrive post on Freestompboxes.org.

The Breakdown stays true to the original. It uses the more common and modern 2N3904 that can be found is more (fuzz) pedals. Danelectro uses some weird resistor values and resistors wired in series. I read somewhere that Danelectro measured the values of the original components in a vintage Univox Unidrive and used these values as the values of the components. Therefor some values are different compared to the above pictured original Unidrive schematic. Also the ‘Range’ knob was removed as the breakdown pedal doesn’t use a threadle.
Switching is done with a relais (true bypass) that is switched by microcontroller. This switching board is the only place in the pedal where SMD components are used.





The sound
This pedal brought me back to my little room in Nijmegen when I first played that BIG, lumpy wah-like pedal that was the original Unidrive. I tried to get the original back from my friend to put it next to this little Danelectro but he sold it years ago. Nevertheless, the pedal did stir a memory of what the original should sound like.
It sounds big, juicy and adds something to the sound I remembered from those old days. The pedal adds some harmonies in the lower mids range that suits a single coil instrument really well but also will make a humbucker equipped instrument punch through the mix like crazy! On the lower gain settings (setting 1 of 2) the pedal is a clean booster that adds volume. On the settings 3 and 4 there is a low gain crunch sound that go really well with humbuckers. On single coils the pedal stay cleaner and takes more push to drive the pedal. And on the higher settings the pedal produces a very neat fuzz like sound that responds to your playing style and adds some nice harmonies to the sound that works well with an already overdriven amp. Combined with a bass guitar the pedal tightens the low end and works like an always on pedal. The higher gain settings do add a lot of interesting gain sounds to any bass player and give a good impression of the gain sounds of those vintage amps that tend to add some touch of overdrive. I really enjoyed this.
Overal this is marvellous pedal that add a lot of nice touches to any instrument. It can sound unique but also add some nice clean volume to any pedalboard. A winner to my ears.
Links

Leave a comment