Sometimes one of these little amps come into my room for some TLC. This amp came in for something extra: to check if the amp could withstand some abuse and see if I could make it more reliable.

This Joyo Sweet Baby amp (also sold under different names like Fame) is suppose to be a clone of the Fender 5F1 Tweed Champ. The 5F1 Tweed Champ is THE amp most player used (and still use) to get those vintage tones from. It is a great practise and recording tool and has a lot of different faces. Main players are Clapton (the Layla amp), Joe Wash (the Funk #49 amp) and Keith Richards’ on most Stones tracks.



The circuit
On the outside the amp looks like a lot of other amps in combo form. The amp is pretty small. On the back the speaker is easily noticeable and on the inside of the cab a small information plaque is visible. Different brands, different speakers. This version, the Fame Sweet Baby Combo came with a Celestion G8C-15 whereas the official Joyo came with an Eminence EGTR-S108 speaker. The tubes are a 12AX7, a 6V6 and a 5AR4 speaker. You can also check the speaker outputs: one for 4 ohm and one for 8 ohm. The onboard speaker is 8 ohms. The power cable is not detachable.
On the top of the amp the controls are located. A single volume control is the only knob you get (but it goes to 12!!). Two inputs for low and high output guitars and a single power switch. A LED is located here to show the amp is ‘on’.
On the inside you can spot two PCB’s that hold each their own parts. The upper PCB holds most of the components and the lower board the tube sockets (soldered on the board).Most connections are made with a push connector. A lot of fuses are located on the tube socket board. The two outputs are located on the underside and have this riser to accommodate the size of the jacks. The board is of rather nice quality and the traces are big and sturdy. Both sides of the PCB’s are used for the traces. On the back of the amp two transformers are located that have no markings on them.



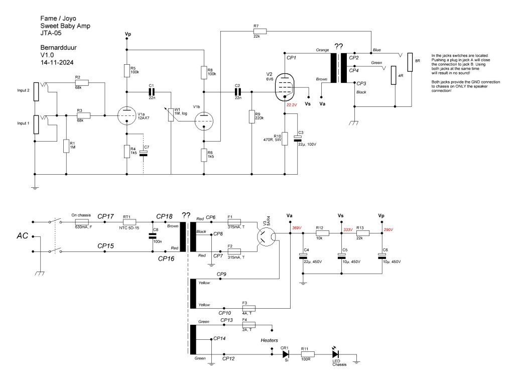
I traced the amp as no schematic was available:

As you can spot this amp follows the circuit of a vintage Fender 5F1 pretty good. You can find a schematic of the Fender here. No real changes were made from this vintage circuit although the PSU has some modern improvements with extra filtering and a NTC.
Both speaker jacks provide the grounding of the speaker output section. A loose connection on the speaker output could make the output fall away or give the amp much more stress on producing sounds. Also, these speaker outputs have a small riser to accommodate for the size of the jacks. Yet, the jacks are shorter then it was taken into account and really tightening these jacks made the PCB bulge and puts too much stress on the PCB. I fixed this issue by adding 2 small washers on the output speaker jacks do they would become more level with the rest of the amp.






Some small mods are printed on the board. You can lower the amount of gain the amp has by replacing the preamp tube with a 12AY7 and the rectifier tube with a 5Y3


The mods:
As I needed to look at the reliability, I tested and checked the amp. As for 1958 standards, it’s pretty good. For 2024 standards though, it could benefit from a screen and grid resistor to make the output tube more stable and to soften the output distortion a bit. I choose the values if 1.5k, 1W for the grid resistor and 470 ohms, 5W for the screen resistor. Adding these resistors can be tricky though.
- The 1k5 on the grid can easily placed over the jumper on the side of the tube socket. You can easily cut the jumper trace with a knife to make the placed 1k5 work. A small 1/4W resistor could fit it’s legs through the holes that jumper the traces from one side of the print to the other. As I choose a 1W resistor I used the tubesocket as my main hold and soldered the other side to the trace around the jumper-hole
- The 470 ohm resistor doesn’t have a good site to be placed as there aren’t many points in this trace. I decided to solder one side of the 470 ohms to the tubesocket, cut the trace and scratched the trace open to solder the resistor directly to. I do agree upon that this isn’t the best location but it does work well for this amp.
Next mod is some protection on the rectifier tube. These tubes are prone to fail and altough this section is protected with fuses, a fuse only blows after it was fed with too much current. I trust a diode much more.
As described in this article by RG Keen you can protect the tube rectifier by placing two tubes on the high voltage line. This mod is easy, simple and protects your tube rectifier (and the other parts of the amp) much more then any other component. I removed the fuses on the high voltage anbd used the connectors of the fuses to solder two 1N4007 diodes in them.
A last extra mod is to add some volume or gain by adding a bypass capacitor to the first kathode resistor. Adding this capacitor fixes the BIAS of the preamp tube. The value of the cap will determine the frequency to boost. Try a 22uF cap for a big, broad tone and lower values for a more high-end tone. In the end I was really pleased with the amp with the above named mods and didn’t found the extra cap to add more musical sounds to my ears. So I removed it again.
The sounds
This amp sounds a little stiff but has a very recognisable character it imitates from an original 5F1 amp. The stiffness is really apparent but does go away when the amp is played longer or at louder volumes. No excessive noise or issues were causing problems with the amp and on the inside I could detecting rattling parts.
On low volumes the amp sounds clean, very direct and can make enough volume for a small room. By pushing the amp’s volume the amp suddenly breaks open and produces some nice overdrive sounds with ease. And yes, the amp stays really responsive to the playing character and dynamics. The fun though starts when the amp is pushed above a certain limit in which it starts to become quite dirty. In this section you’ll notice the greatness of the Fender 5F1 Tweed champ and why some many players use this amp as a character for their sounds. You can use the volume knob on the guitar to make the amp sound cleaner or more dirty and really respond to your playing style.
The onboard 8 ohm speaker does add some nice coloring on the tones adds that missing tone the orginal 5F1 would do. Playing through another speaker does add some other coloring to the tone and shifts this amp into a completely different kind of amp. With a single 12″ it can even be used for small jazz sections.
With only a single volume knob the amp looks pretty boring, yet, this amp oozes with tone, tone, tone. Stock it already is a well made amp but with the mods the amp becomes more reliable with some softer touches on the tones. Really recommended!
The links
The owner of the amp got inspiration after watching this video made by my good friend Aldo Spadaro. He has an original Champion 600 amp that is close to a 5F1. Enjoy the video below and visit his Youtube account for some more video’s.
Leave a comment