I love unknown and rare pedals. And this is one rare pedal!

I got this pedal from a friend; he got it not working and unknown of what kind of pedal this is or was. He took the gamble. It clearly looks homemade, although I don’t know if any more circulate somewhere.




The circuit
The unit is housed in a beautiful aged enclosure with huge knobs and at the inputs only the signs ‘Instr’ for instrument and ‘Verst’ for amplifier (Versterker in Dutch). So this pedal could be build by someone Dutch. At the same time the words look pasted on, and this could also be done later.
When opened up you can spot the unit is build upon an experiment board. A solid Marquardt switch is attaching the board to the enclosure. A piece of paper is placed underneath to shield the circuit from the enclosure. On the side is a DC jack input in a DIN format. A switch on top switches the PSU on and off. It can also be run from a battery.
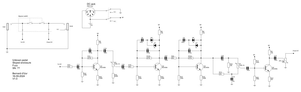
I traced the pedal

As you can spot this pedal is a Big Muff clone with BC408A transistors.






The pedal came in not working. The problems turned out to the the output volume control (replaced), the footswitch (replaced) and the DC jack (replaced that one with a modern equivalent). With these replacements the pedal came back to life.
The sound
I love unknown or rare fuzz pedals. And I love Big Muff pi pedals. So this pedal really suits my needs. On the lower gain settings the pedal sound reasonable well and can maintain a faux overdrive sound. When pushed though the pedal comes loose and leaves you with shattering high, rubling lows and a wide gain structure with a tailored EQ that sets a slight mid dip (as compared to original muffs).
A lovely and good find!
Leave a comment