Sometimes you need to fix products from China. This Belcat Power Supply is one of them. It came in as the owner lost power output at one section.


Belcat is a Korean company that was founded in 1988 and has multiple factories in China. They produce preamps, guitar pickups and effects pedals. They claim top produce high quality products in the motto: Credit first, quality first.
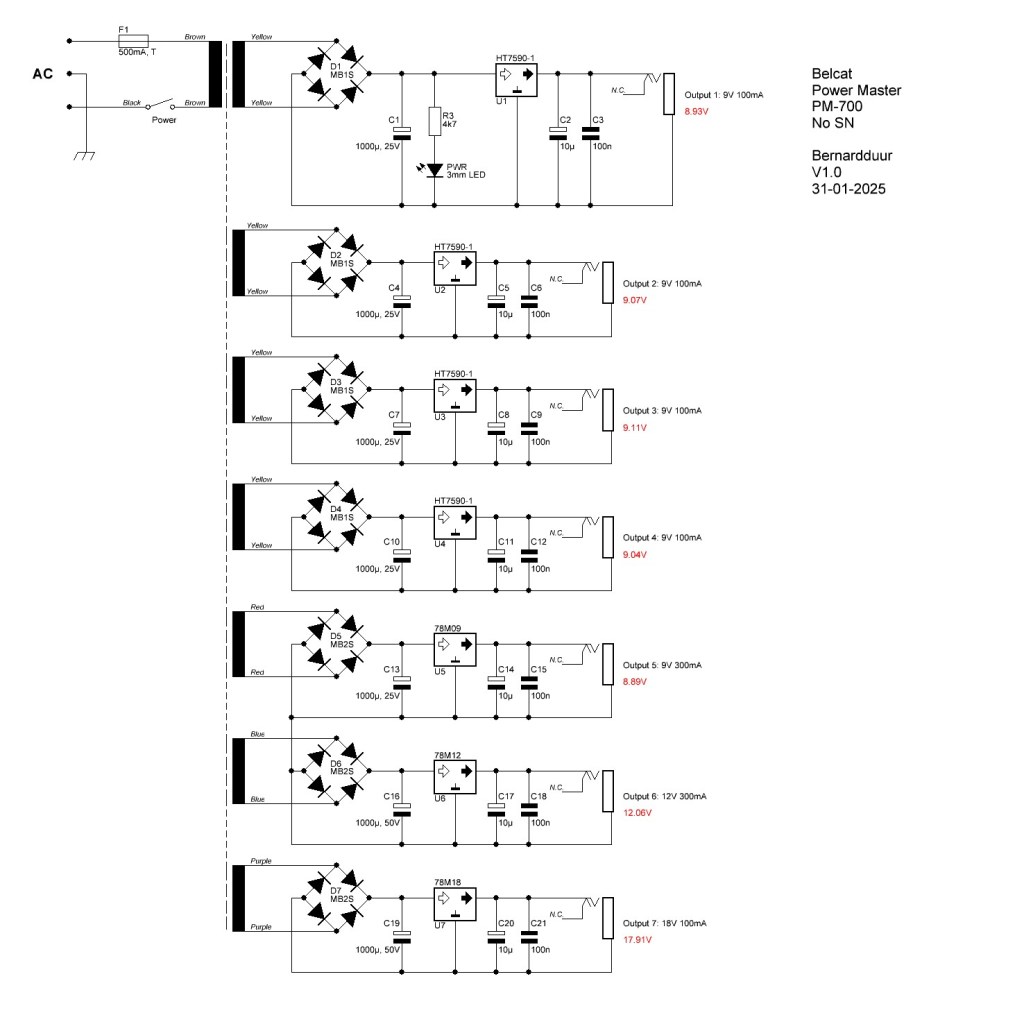
The circuit
This Belcat PM-700 is a power supply Belcat produces to power their pedals. It is currently unavailable on their website (Edit: this site is currently offline) but is still available in their product overview. It is replaced by the PM-800, a power supply that looks a lot like the Voodoo Labs Pedal Power 2 Plus.No manual is available on the website.
The unit has seven isolated outputs. Four 9V outputs rated at 100mA, one 9V output rated at 300mA, one 12V output rated at 300mA and a single 18V output rated at 100mA. The owner had most issues with the 12V output.
Opening the pedal up and you’ll spot the large transformer giving power to all outputs. All outputs are isolated from each other apart from the 300mA 9V and 12V output which share a common ground connection (I think this was done by accident due to bad ground connection placement). The problem was quickly determined as the filter cap at the 12V output was oriented wrong (and had taken part of the print in the process). All other caps looked cheap and didn’t measure correctly.




I’ve traced the pedal:

The fix
I’ve replaced all caps with some better quality caps. The pedal didn’t give any problems anymore.
The sound
Before I changed all the caps the unit did add some unwanted noises to some pedals. Most pedals just worked fine. After the fix some sensitive pedals stopped producing unwanted noises and started to work properly. With most gain pedals these unwanted noises were only on the higher gain settings.
Do notice though that the voltages measured are all different. And as my initial response was negative, I’ve connected to many people claiming that this is fine for a PSU and is fitting the design of the unit.
Please use with care when bought new and replace the caps when problems occur!
Leave a comment