This Morley Tel-Ray Pro Phaser (PFA) came to my door for some TLC.

I love these old Morley products. The Tel-Ray name was given to a specific part of the Morley product line as Morley was the name Tel-Ray Electronics used to market their first guitar pedal products on the market. A good read upon the history of Morley can be found here.
These first Morley products stood out from the rest by their size, tone and controls. They had some similarities:
- They were all housed in a big chrome box with a HUGE treadle on top
- They were all AC driven; all Morley Tel-Ray pedals have a small transformer on the inside and a power plug on the outside
- The circuitry is complicated; usually there are multiple controls on the outside but also on the inside of the pedal
- Most of the control of the effect is done by a light-bulb and an LDR (Light Dependent Resistor)
This last point stood apart from other pedals on the market. Morley Tel-Ray pedals’ treadle wasn’t connected to a potmeter or slider; instead of that the pedal uses a small light-bulb (no LED), one or a couple of LDR’s and a piece of cloth. The treadle is directly connected to the piece of cloth and that cloth covers the LDR’s when the treadle is pressed or depressed. This way the most used control of the pedal, the treadle, is less susceptible to wear and tear and will stay working for a long, long time.
The Morley Tel-Ray Pro Phaser (PFA) was released in the 70’s as an answer to most phaser pedals’ limited controls, volume sucking ability and small tone spectrum. The Morley wanted to deliver more! Two models of this phaser were released: the Morley PFA (standard Pro Phaser) and the PFV (volume phaser) that also had the ability to act as a volume pedal when the phaser was disengaged.

In the 80’s Morley released the ‘Phaser One’ and the ‘Deluxe Phaser’ as the big Tel-Ray pedals were phased-out. These newer phaser pedals from Morley are housed in smaller enclosures and can be fed with a standard 9V power supply.





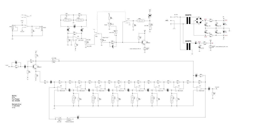
The circuit
The pedal is housed in the known big chrome Morley pedal enclosures with a big threadle on top of it. The pedal has an AC plug on the side. A sticker on the pedal makes sure it was designed for 220V operation. A switch on top of the pedal turns the AC power on. When turned on a light on the heel position of the pedal is lit. The pedal has three knobs, a big threadle and two footswitches. The right footswitch switches between bypass and phaser sounds. The left footswitch switches between Auto-mode (an LFO is added to the phaser) and Foot-mode (you can control the sweep of the phaser via the pedal). The big threadle on top controls the speed of the LFO in Auto-mode and it controls the sweep in Foot-mode. The three controls on the side are for depth of the effect (Phase Travel), symmetry of the LFO (Center) and amount of feedback in the phaser effect (Harmonic Emphasis).
When the pedal is opened a big PCB stares at you. The whole inside of this big pedal is filled with a HUGE PCB that is filled with op-amps, big caps and as you can spot a lot of trim-pots.




I found the original schematic here and also a post on Freestompboxes.org about this pedal. I also decided to trace my unit as a lot of values were wrong compared to the above schematics.

As you can spot there are some differences in the schematics posted above and my traced unit. Morley did differ a lot on parts between units but sometimes the older schematics are just wrong.
The phaser is a six stage phaser with LDR’s (light dependent resistors) to control the frequency of the filters. The LDR’s are all located around a single light-bulb; extra light is shielded away from the LDR’s by a light shield. The light-bulb that controls the LDR’s is controlled by a circuit that changes the intensity of the light-bulb in the way the mode switch is set. This pedal has two modes:
- In the Foot-mode the intensity of the light-bulb is changed by the position of the treadle. In the toe position the bulb is lit brighter and in the heel position the bulb is less bright.
- In the Auto-mode the intensity of the light-bulb is changed by an LFO (low frequency oscillator) that rhythmically changes the intensity of the light-bulb. The rate and intensity of this rhythmic change can be altered by the controls on the side of the pedal.
The treadle of the pedal works on setting the amount of light that hit LDR 7, 8 and 9 by shielding these LDR’s with a piece of cloth.
I’ll add my video’s later; as they were not available in the Blogger I need to upload them again
Onboard are also trim-pots to change certain values. I’ve noted down what the value is of these trim-pots in the schematic.The location of these trim-pots can be found in this pic:

The sound
I love the sound of a good phaser! And as with most guitar players, my main idea of a phaser sound is the phase 90; a bit boxy and middy sounding with enough swirl and movement with a single control. A classic!
This pedal though isn’t a phase 90 in sound and control. It is much more but just a bit more difficult.
Sound-wise, the phase effect is bright and apparent. It sits more in the higher mids frequencies and takes up a very specific range in the spectrum. Yet, with the right sweep it can go nice low but the main focus will remain in the higher regions. The depth of the sweep is big and it can take over your sound if needed. I loved the drippy effect it can produce to make the audio sounds fresh and new.
Controls are bit tougher. The sweep on the treadle is pretty much on the first few movements for the foot controlled phase and more in the end for the LFO controlled phase effect. The Foot controlled phase is fun to play with and gives you full control over the sweep of the phase effect, making half phase sweeps or even weird rhythmic patterns possible. The LFO is a bit hard to comprehend as the controls respond to each other and will alter the effect in total. Even a ‘simple’ phase effect can be hard to dial in with four controls including the treadle pedal. Yet, if you get to know the effect, there’s so much sounds possible. I would highly recommend this pedal to any phase-affectionate that wants control, a wide array of sounds and just a big chrome pedal on your board!
Links

Leave a comment