I love rare vintage amps. And when this beauty came along on a second market site I was in love….. what is it?

I got this Jennen amp from the second owner of the amp. The amp was bought by the brother of the former owner at the end of the 50’s / beginning of the 60’s from a shop called ‘Bas van der Rest’ in Den Haag, the Netherlands. A short (Dutch) article on this music shop in Den Haag can be found here and here. This shop was a known place for Dutch musicians to gather and to buy musical instruments.
Jennen Electronics (Amsterdam, the Netherlands) is an unknown Dutch brand that started in the 50’s and shipped Japanese (tube) equipment from Japan to the Netherlands. They shipped and sold different kind of machines, measurement equipment but also HiFi and guitar tube amps this way. This amp is called the ‘Amp 72C’ as we can find on a plate on the back.
As this amp looks identical to a Teisco 72C amp AND was shipped / sold in the same time these Teisco amps were available on the Japanese market, I think this is a rebranded Teisco 72C amp! Shame is that online little can be found on these Teisco 72C amps regarding schematics or gutshots. The exterior and the knob layout is identical to the Teisco amps.



The circuit
The amplifier looks beautiful in the red and green tolex. It is an open back cabinet in which you can spot the two eight inch speakers and the output transformer that is located on the floor of the cabinet. The power cable is connected the the amplifier. A single output jack is located on the bottom part of the back of the cabinet and lets you connect a different speaker to the unit. The top of the amp has the inputs and the controls. The three unlabeled inputs serve as an instrument input for a full spectrum sound (input left and middle) and a bright input (right). You can control the sound in volume (left knob) and tone (right knob). The knob labelled ‘Tremolo’ has a switch build into it that switches the tremolo on and off (full CCW position); the potmeter part of this control determines the speed of the tremolo.

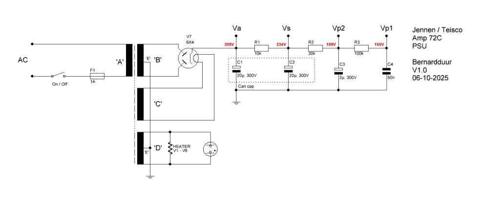
Opening up the amp shows a beautiful PTP (point – to – point) amplifier made with parts that place this amp in the beginning of the 60’s in Japan. Most resistors and capacitors look well kept and functioning. The power cable is missing a ground connection and no death cap is apparent. Playing this amp stock can give some issues. A small can cap provides filtering for the power supply. In the amp are four preamp tubes, two poweramp tubes and a rectifier tube. The amp has two small eight inch speakers to project the sound and a jack output is located on the back to connect other speakers. The output transformer is located on the floor of the cabinet and not on the chassis.
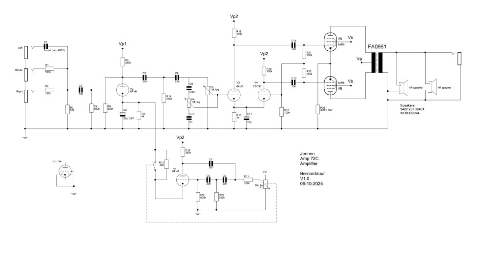
I quickly traced the amp:


As you can spot the amp works with tubes that are uncommon in modern tube amps. These 6AV6 tubes are very early diode / triode tubes that were common in the 1950’s and predate the more common 12AX7 tubes we now use. A big difference with the modern tubes is that these vintage tubes only have a single triode per tube (compared to the 12AX7 tube that has two triodes) and that these vintage tube can be used as diodes by using the leftover lugs on the tube. They run on the standard 6.3V AC. The poweramp consists of a pair of .. tubes and the power supply has a rectifier tube.
The circuit shows a crude version of a preamp with a Tweed-esque tone control going into a phase inverting circuit to drive two powertubes. Tremolo is added by adjusting the cathode bias of the first preamp tube. The powertubes work with a cathode bias and there is no feedback loop.











The fix
I replaced the power cord, replaced the electrolyte caps with some decent F&T caps and ‘protected’ the rectifier tube with the known R.G. Keens ‘Immortality mod’. Now the amp is again ready to roll! The vintage resistors and caps were all tested and gave no issues. Tubes are not microphonic and do perform well.
This amp gave a headache as it gave me so much noise after the fix. I got rid of it by removing the third tube but everything I did to remove the noise (with the third tube installed) was not successful. In the end I fixed the problem by getting a power conditioner: you can find the article on this issue here on my blog.
The sound
This is one LOVELY amp! It looks even cute, like a suitcase with speakers.
When connected and fed through a power conditioner (or through a noise free wall wart) the amp is quiet and noise free.
I was surprised by the volume of this little amp. When connected to a guitar (for bass the amp has too little headroom and too small speakers so I wouldn’t recommend this) the guitar makes the amp shine. The tone is direct, very front in the mix and mid heavy without sounding too boxy. I like the tone knob as it provides a wide array of different sounds. The 12 ‘o clock position give the most natural sound; turning the knob CCW adds bass and turning the knob CW it adds treble. And although this is a very limited EQ it adds a powerful frequency to the mix turning the amp is a completely different animal. The tremolo control adds a very distinct sounding tremolo sound; it is a swampy, very protruding tremolo sound that takes over the sound of the amp. It really adds a lot of character to the already available character of the amp.
I LOVE this amp! It is small, compact and with the available 10W output it can add some grit on lower volumes. I LOVE the dynamics it has and the overal character of the sound. It is not that Fender or Marshall sound but something very distinct and different. For me a keeper!
Links
Leave a comment