This pedal came in as it didn’t produce any sounds. Even the bypass signal wasn’t working. So no delay, let’s check!


Moen is a Chinese company that produces pedals now for 15 years. Their website is still up and this pedal is still available. The manual can be found here. On the website it is stated that this delay pedal is a ‘Hybrid’ analog delay pedal with
analog circuitry to ensure that the frequency response match that of the old-school analog delays
A clone? Or something completely new? Let’s see!
The circuit
The pedal is housed in a big metal case. On the sides are the input and output jacks and on top is the DC jack. This pedal works with a 9V DC adapter or a 9V battery (although this pedal will drain the battery quick!). On the faceplate are controls for delay time (‘Time’), the amount of delays (‘Repeat’) and the output volume of the delay effect (‘Blend’). A footswitch turns the effect on and off; the pedal is true bypass with a DPDT switch, LED switching is done with a millenium bypass.
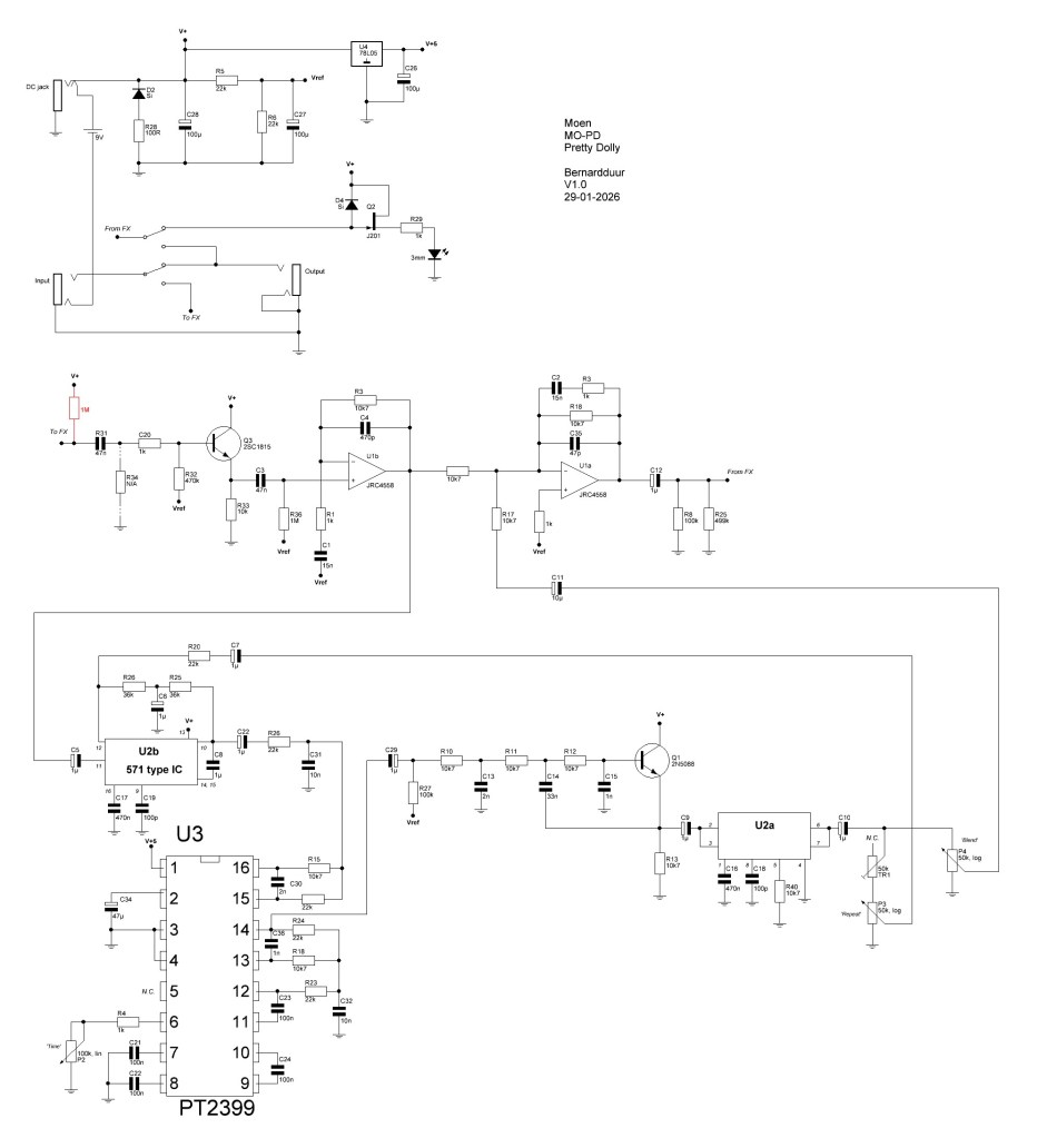
Opening up you can spot that the pedal has two different PCB’s that are stacked upon each other. On the main PCB most markings on the IC’s are sanded off.





As no schematic is available I traced the pedal.

I quickly recognised this pedal! It is a clone of the PT-80 delay (with an added input buffer), a DIY design by Scott Swartz that can be found online on various platforms. PCB’s are widely available. Officially this design was introduced in 2002 on GGG (General Guitar Gadgets) and is still available up to this date. The documents on this website give a lot of info on the design and realisation of the pedal.
The PT-80 was an attempt to make a pedal that would sound identical to an Ibanez AD-80, a vintage pedal that ran on 18V and worked with bucket brigade IC’s. The PT-80 replaced the bucket brigade IC’s with a PT2399 IC, an IC designed and released in 1995 for Karaoke machines (and more). The PT2399 was a simple solution to get a good delay sound with minimal parts and costs. More info on the PT2399 can be found here.
The PT-80 design took the delay from the PT2399 and added the filtering of the AD-80 so in the end these pedals would sound similar. The pedal runs fine on a 9V powers supply although the original PT-80 was designed with a 12V power supply in mind to keep the headroom identical to that of the AD-80.
If you look at the schematic you can spot a 1M to V+ on the solder side of the main PCB. I have no other units to compare it to to see if this was a common ‘choice’ or just a fault. I ‘think’ that this 1M was introduced to keep the pedal from popping when pressing the footswitch (pull down resistor) and that it originally should be connected to ground and not V+. You can also spot on the PCB that there is a reserved place for a pull down resistor but that the builder choose to swap the first cap and resistor with each other and thus make this location useless. I cannot see the reason to do that.
The fix
First, swap the input 1M from V+ to ground (you can use the tap next to the input of the PCB).
When the unit out was taken out of the enclosure the first issue came to light: all soldering connections on the jacks were dry and did not connect to the lugs on the jack. Therefore, no signal was passed through and no sound could be heard. After I re-soldered the lugs the signal was passed from the input to the output jacks in bypass mode, yet no effect could be heard.
Second, the first opamp was broken. Maybe this was due to the 1M to V+ connection that was accidentally made, maybe there was another issue. I replaced the JRC4558 with a RC4558 (and a socket) and this fixed an issue: now I got the blended clean signal in effect mode but no echo (yet).
Third, I noticed that the voltage that went to the PT2399 IC was 2.5V and not the 5V that was needed. I quickly diagnosed the problem to be the 78L05 IC (was on the verge of replacing the PT2399) and after a replacement the pedal came back alive!

The sound
The original PT-80 delay was designed to sound exactly like an older Ibanez AD-80 without the BBD chips or hassle with it. The PT-80 design takes care of that and sounds exactly like an original AD-80.
And this pedal does exact that! The delay is noise free, has a wide range of delay times and a decent feedback function (up to the self-oscillation) AND it sounds exactly like an old fashioned BBD (analog) delay. Just like it was designed!
Links

Leave a comment